我单位拟对一台配备PDD检测器的Aglient 6890N气相色谱仪进行委托测试加工改造,包括检测器放电极测试维护,拆除原有坏、漏的阀门,重新安装双中心切割气路系统(包括阀门、色谱柱、接头、管线等),并测试合格。本项目采用比选方式进行采购,特邀合格供应商参加。
一、 比选采购人
中国测试技术研究院化学研究所
二、比选项目基本情况
1、项目名称:中国测试技术研究院化学研究所气相色谱仪委托测试加工改造项目。
1.1、拟进行委托测试加工改造的气相色谱仪基本配置情况见下表。
序号 | 名称 | 型号 | 数量 | 备注 |
1 | 主机 | Agilent 6890N | 1 | 可以开机、电器系统正常 |
2 | 检测器 | VICI PDD | 1 | 放电极需维护 |
3 | 阀箱 | / | 1 | 阀门老化、泄露,需拆除 |
4 | 纯化器 | VICI | 1 | 已失效,需更换 |
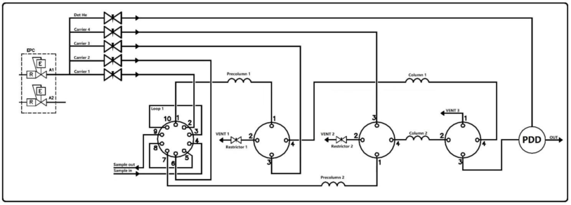
1.2、气路系统加工改造方案
加工安装双中心切割气路系统,阀图流路要求如下:
1.3、技术指标要求
完成维护改造的气相色谱仪及检测器应满足以下技术要求并作为最终验收指标要求:
①适用于做多种高纯气的检测(H2、O2、N2、Ar、He等),满足对应国标要求;
②保证流量控制稳定,基线平稳,检测组分保留时间RSD≤0.5%;
③具有阀箱保护功能,确保阀门在氦气环境下运行;
④5μmol/mol氦中氢、氧、氩、氖、氮、一氧化碳、二氧化碳、甲烷气体标准物质连续8次进样,各组分峰面积RSD≤1%,实现微量氧、氩的基线分离。
⑤需要匹配全新的电脑和工作站。
2、采购方式:满足上述技术方案和指标的要求下进行比选。
3、项目限价:18万人民币。
三、合格供应商应具备的资格条件
1、具备《中华人民共和国政府采购法》第22条所规定的条件:具有独立承担民事责任的能力;具有良好的商业信誉和健全的财务会计制度;具有履行合同所必需的设备和专业技术能力;有依法缴纳税收和社会保障资金的良好记录;前三年内在经营活动中没有重大违法违纪记录;
2、具备安捷伦官方授权的高纯分析仪用气相色谱仪相关资质并提供证明,并具备相关行业经验和业绩,确保顺利完成项目;
3、本项目不接受联合体招标,中标后不得分包、转包。
四、响应文件组成、投递时间和地点以及比选时间和地点
参加比选的供应商将资格条件中要求的证明文件,技术指标满足对应书和正式报价单原件(密封)于2022年3月4号前邮寄至:成都市成华区玉双路10号,中国测试技术研究院。(封面需备注“比选资料”)
比选时间、地点:2022年3月7日10:00,中国测试技术研究院综合楼5楼会议室。
五、联系方式
联系人:周老师
联系电话:19828966753
企业邮箱
搜索



