科研活动
低温烟气余热回收系统

产品规格 /
产品品牌
中测电子
参考价格 面议元
产品说明
简介
工业上低温余热是指温度低于300 ℃的所谓“废热”。此余热资源一般来自锅炉、低温炉窑等燃气燃煤装置。由于其温度较低,回收时的卡诺效率也较低,因此回收难度很大,但我司可根据客户现有废热源特点和实际用热情况设计稳定可靠的余热回收系统。
工程案例
在成都(国家级)经济技术开发区,我司为某汽车内饰系统公司两台搪塑炉做了烟气余热回收利用改造,替代了现有的NCS IP预热炉电加热装置,同时还可在冬季满足企业自配料间的供暖需要。每年为企业节能折标煤110吨以上,节能效果显著。

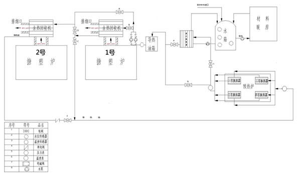
施工示意图

两台搪塑炉现场实景图

NCS IP电加热预热炉
搪塑炉烟气余热回收系统特色
1. 自动化控制系统
▲ 根据预热炉腔室内温度情况,可自动在两台余热回收机并联或串联运行间切换;
▲ 根据预热炉腔室内温度情况,离心风机及导热油泵可自动变频调速,使腔室内温度稳定在90℃±3℃范围内;
▲ 冬季时,通过二次板式换热器将导热油中剩余热量与水热交换,以满足自配料间供暖需要。
2. 低温烟气余热回收机
▲ 采用内外翅片式热交换器,换热效果比传统光管或热管翅片式装置换热效果更佳,烟气热回收率达85%以上;
▲ 采用316L不锈钢材质,强度高,抗腐蚀能力强;
3. 保温
▲ 热油管道均采用目前保温管道中温降最小的不锈钢聚氨酯发泡管;热水管道均采用PPR+PVC聚氨酯发泡管;
▲ 采用双层保温油/水箱;
▲ 为防止预热炉顶盖散热系统提升周边环境温度,我司对预热炉热交换系统外部做了特殊的保温处理。
企业邮箱
搜索



